Обсуждение, отзывы, обзоры
Модераторы: Реалист, Pooh Lee
Правила форума
Провокация конфликта - предупреждение.
Ответ на провокацию - предупреждение.
Не одумались - обоим БАН на месяц.
Новая провокация - прощаемся. Невзирая.
-
Max703
- Администратор
- Сообщения: 5286
- Зарегистрирован: 18 ноя 2010, 15:43
- Награды: 4
- Имя: Максим
- Позывной: Семьсот третий
- р/л позывной: R9OV
- Откуда: Новосибирск NO15LB
- :
- Благодарил (а): 43 раза
- Поблагодарили: 34 раза
-
Контактная информация:
Сообщение
Max703 » 23 июл 2011, 22:38
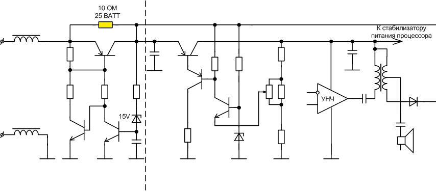
Technic писал(а):Резистор на 25 Вт для работы от 24 вольт.
Странный способ

Max703
-
Boroda
- Администратор
- Сообщения: 2920
- Зарегистрирован: 18 ноя 2010, 15:45
- Награды: 1
- Имя: Сергей
- CB: MJ-550
- Ант. CB: Sirio Performer 5000
- Позывной: Борода
- :
-
Контактная информация:
Сообщение
Boroda » 23 июл 2011, 22:41
Max703, Самый дешёвый из возможных. Потому и использован
Boroda
-
Max703
- Администратор
- Сообщения: 5286
- Зарегистрирован: 18 ноя 2010, 15:43
- Награды: 4
- Имя: Максим
- Позывной: Семьсот третий
- р/л позывной: R9OV
- Откуда: Новосибирск NO15LB
- :
- Благодарил (а): 43 раза
- Поблагодарили: 34 раза
-
Контактная информация:
Сообщение
Max703 » 23 июл 2011, 23:02
Boroda писал(а):Max703, Самый дешёвый из возможных. Потому и использован
Ну а типо кренки поставить разве незя??? Стоит наверное даж дешевле этого резистора!
Max703
-
533-гранит
- 5 кВт
- Сообщения: 9812
- Зарегистрирован: 11 мар 2011, 23:56
- Имя: Огого
- Позывной: Гранит
- Поблагодарили: 6 раз
Сообщение
533-гранит » 23 июл 2011, 23:14
У них нет такого золотого радиатора

533-гранит
-
Citizen Band
Сообщение
Citizen Band » 24 июл 2011, 00:54
Как то так получается...
-
Вложения
-

Citizen Band
-
Косолапый Мишка
- 1 кВт
- Сообщения: 3636
- Зарегистрирован: 25 ноя 2011, 13:11
- Награды: 1
- Имя: Михаил
- Позывной: Косолапый Мишка
- Откуда: Новосибирск
- :
- Поблагодарили: 5 раз
-
Контактная информация:
Сообщение
Косолапый Мишка » 27 ноя 2011, 11:51
Здравствуйте, многоуважаемые! Возникла пара вопросов, буду благодарен за внятные разъяснения :0). Заказал себе Эскалибур, жду. Но как понял из беседы - требуется доработка (ссылка на доработку Кабана не открывается), если можно поподробней об этом и что для этого нужно. Второе - руки у меня конечно золотые, но растут из ж, поэтому хотелось бы договориться со знающим человеком, за определенную благодарность обо всех этих махинациях. как-то так. Заранее спасибо.
Shit happens.
Косолапый Мишка
-
Миротворец
Сообщение
Миротворец » 27 ноя 2011, 11:57
Попользуйся сначала "как есть", если что-то не устроит, тогда заморачивайся. А вообще-то и так станции работящие.
Миротворец
-
Косолапый Мишка
- 1 кВт
- Сообщения: 3636
- Зарегистрирован: 25 ноя 2011, 13:11
- Награды: 1
- Имя: Михаил
- Позывной: Косолапый Мишка
- Откуда: Новосибирск
- :
- Поблагодарили: 5 раз
-
Контактная информация:
Сообщение
Косолапый Мишка » 27 ноя 2011, 12:04
Хочется, как всегда, всего и сразу, но совет дельный, благодарю. Но если все таки приспичит, к кому обращаться?
Shit happens.
Косолапый Мишка
-
Реалист
- Оргкомитет
- Сообщения: 5498
- Зарегистрирован: 19 ноя 2010, 00:34
- Награды: 6
- Имя: Валера
- CB: Yosan Excalibur
- Позывной: Реалист
- р/л позывной: R9OT
- :
- Благодарил (а): 275 раз
- Поблагодарили: 139 раз
-
Контактная информация:
Сообщение
Реалист » 27 ноя 2011, 16:37
Reanimatolog писал(а):Но если все таки приспичит, к кому обращаться?
Ко мне в личку. Попробую организовать.
Реалист
-
Косолапый Мишка
- 1 кВт
- Сообщения: 3636
- Зарегистрирован: 25 ноя 2011, 13:11
- Награды: 1
- Имя: Михаил
- Позывной: Косолапый Мишка
- Откуда: Новосибирск
- :
- Поблагодарили: 5 раз
-
Контактная информация:
Сообщение
Косолапый Мишка » 27 ноя 2011, 16:45
spitsa писал(а):Reanimatolog писал(а):Но если все таки приспичит, к кому обращаться?
Ко мне в личку. Попробую организовать.
Благодарю.
Shit happens.
Косолапый Мишка
-
Mitrich1982
- 10 мВт
- Сообщения: 4
- Зарегистрирован: 18 июл 2012, 20:13
- Имя: Дмитрий
- CB: Yosan Excalibur
- Авто: Fuso
-
Контактная информация:
Сообщение
Mitrich1982 » 18 июл 2012, 20:22
spitsa, День добрый! Подскажите пожалуйста, доводка и ремонт станции экскалибур у вас еще возможен? Нужно довести до ума две станции, одна новая еще в магазине лежит )))) и одна уже год отработала, но чет глючная она (((( Заранее спасибо!
Mitrich1982
-
Реалист
- Оргкомитет
- Сообщения: 5498
- Зарегистрирован: 19 ноя 2010, 00:34
- Награды: 6
- Имя: Валера
- CB: Yosan Excalibur
- Позывной: Реалист
- р/л позывной: R9OT
- :
- Благодарил (а): 275 раз
- Поблагодарили: 139 раз
-
Контактная информация:
Сообщение
Реалист » 18 июл 2012, 20:28
Mitrich1982, набейте еще пару сообщений где-нибудь во флудилке - и напишите мне в лс. Насчет устранения глюков - не обещаю, там вроде только модуляцию правили и тошнотную подсветку тангенты усмиряли.

Постараюсь, чем смогу.
Реалист
-
Север
- 5 кВт
- Сообщения: 5687
- Зарегистрирован: 05 дек 2010, 23:07
- Имя: Константин
- CB: Yosan Excalibur
- Ант. CB: LEMM AT-2001 TURBO
- Позывной: Север
- р/л позывной: R9OAAC
- Авто: MMC L200
-
Контактная информация:
Сообщение
Север » 18 июл 2012, 21:11
spitsa, там на сибиру вроде выкладывали финальную доработку ,там вроде и шумодав дорабатывают\настраивают и еще что то ...
Схемы вроде в открытом доступе , может стоит посмотреть их ? я бы дальше свой отдал доделать ... вдруг еще лучше будет ?

Север
-
Реалист
- Оргкомитет
- Сообщения: 5498
- Зарегистрирован: 19 ноя 2010, 00:34
- Награды: 6
- Имя: Валера
- CB: Yosan Excalibur
- Позывной: Реалист
- р/л позывной: R9OT
- :
- Благодарил (а): 275 раз
- Поблагодарили: 139 раз
-
Контактная информация:
Сообщение
Реалист » 18 июл 2012, 21:40
Север писал(а):там на сибиру вроде выкладывали финальную доработку
Ага, видел мельком. Надо найти, распечатать и дать посмотреть моим кулибиным, может быть возьмутся...

Реалист
-
Скорпион
Сообщение
Скорпион » 19 июл 2012, 09:49
Там ничего сложного. Кулибины разберутся.
Скорпион
-
Mitrich1982
- 10 мВт
- Сообщения: 4
- Зарегистрирован: 18 июл 2012, 20:13
- Имя: Дмитрий
- CB: Yosan Excalibur
- Авто: Fuso
-
Контактная информация:
Сообщение
Mitrich1982 » 26 июл 2012, 19:11
Ну так и что? нашли, нет? Прям руки чешутся опробовать ))))))
Mitrich1982
-
АвтоПилот
- 25 Вт
- Сообщения: 483
- Зарегистрирован: 19 янв 2012, 13:36
- Имя: Александр
- CB: PRESIDENT Harry III
- Ант. CB: LEMM AT-2001 TURBO
- Позывной: АвтоПилот
- Авто: Hyundai Santa Fe
- Откуда: г. Новосибирск
-
Контактная информация:
Сообщение
АвтоПилот » 26 июл 2012, 19:55
Всем привет! Был недавно в ООО "Связь":
Фабричная, 10 - 218 офис; 2 этаж
тел. (383) 223-37-80
факс (383) 223-37-14
http://svjaz.su
mailto:
89139397969@mail.ru
и смотрел Экскалибур. Продавец сказал, что фиговая станция по причине глухой модуляции, внешнего вида и того, что неремонтопригодная она по части резисторов на передней панели, которые стираются и их невозможно найти в радиомагазинах. Так ли это? Кто подтвердить или опровергнуть может? Кроме того, она стоит 5900 р для сибиряков и гарантия 6 месяцев всего. Уж очень хочется енту рацейку впихнуть в отсек 2-Din рядом с магнитолой 1-Din и не заморачиватьсяся выносным динамиком, который некуда пристроить-то особо...

в тачиле.
+7-девять-два-три-225-1ЗОО
АвтоПилот
-
533-гранит
- 5 кВт
- Сообщения: 9812
- Зарегистрирован: 11 мар 2011, 23:56
- Имя: Огого
- Позывной: Гранит
- Поблагодарили: 6 раз
Сообщение
533-гранит » 26 июл 2012, 21:08
Гы, попробуй это написать в тему
АвтоПилот писал(а): ООО "Связь"
пока

яблоками не закидали.
533-гранит
-
ЛЕКАРЬ
Сообщение
ЛЕКАРЬ » 26 июл 2012, 21:14
533-гранит писал(а):Гы, попробуй это написать в тему
АвтоПилот писал(а): ООО "Связь"
пока

яблоками не закидали.
конскими?

ЛЕКАРЬ
-
Рыжий
Сообщение
Рыжий » 26 июл 2012, 21:15
Я чет ниче не понял? Это Иван так сказал?
Смутные сомнения терзают меня
(заранее извиняюсь - оффтоп)
кстати, если завтра не заберут, отдам свой за 5000. Доработанный. в личку
Рыжий
Сейчас этот форум просматривают: нет зарегистрированных пользователей и 4 гостя