Установка рации на Рено-Дастер (до рейстайлинг)

Всего этого хозяйства на машину

Модераторы: Реалист, Pooh Lee

Правила форума
Провокация конфликта - предупреждение.
Ответ на провокацию - предупреждение.
Не одумались - обоим БАН на месяц.
Новая провокация - прощаемся. Невзирая.
Ответить
Айболит
1 Вт
Сообщения: 225
Зарегистрирован: 25 янв 2014, 23:35
Имя: Вячеслав
CB: Optim Apollo
Позывной: Айболит
Авто: Санта Фе Классик
Благодарил (а): 8 раз
Поблагодарили: 14 раз
Контактная информация:

Установка рации на Рено-Дастер (до рейстайлинг)

Сообщение Айболит » 10 ноя 2018, 23:31

Итак свершилось. ПУтем нескольких проб и ошибок, помощи хороших людей и советам бывалых я наконец-то оснастил свой свежекупленный Дастер СБ-радиостанцией.
НАчать с тобо, что местом крепления антенны был выбран левый рейлинг, вернее не сам рейлинг, а его пластиковое крепление, которое в свою очередь закрепляется на крыше тремя винтами.
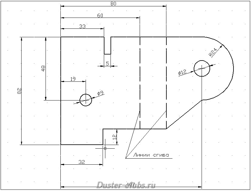
Чертеж кроншейна был взят из профильного форума, правда по месту его пришлось немного доработать - отверстие под крепежный винт на чертеже смещено на 5 мм - пришлось дорабатывать по месту. Кронштейн был сделан очень хорошим человеком из листа нержавейки толщиной 3 мм.:
Эскиз.jpg
Эскиз.jpg (48.65 КБ) 6363 просмотра
После того как кронштейн закрепили на рейлинге и смонтировали на него антенну, задумались - как бы покрасивее завести провод в салон. Еще один хороший человек взяв дрель, просто просверлил дыру через пластик крепления рейлинга и крышу - куда в последствие был заведен антенный кабель. Пластиковый кожух рейлинга после небольшой доработки (немного спилили посадочное гнездо для кронштейна и просверлили отверстие для кабеля) поставили на место:
IMG_20181103_162048.jpg
Далее приступили к монтажу рации. У меня Оптим-Аполло. Саму тушку решено было поставить под обшивку в багажнике, а тангенту через удлинитель вывести в районе прикуривателя. Для осуществления всей этой безумной идеи пришлось разобрать полмашины: обшивку крыши, все пластиковые накладки в багажнике, снять задние сидения:
IMG_20181103_154851.jpg
Поймав антенный кабель, завели его через крышу и заднюю стойку багажника внутрь.
IMG_20181103_160045.jpg
Тушку рации смонтировали на ребре жесткости корпуса. Закрепив на нем удлинитель тангенты, кабель питания и антенный кабель все для надежности прихватили хомутами, и начали прокладку и монтаж удлинителя тангенты.
IMG_20181103_161644.jpg

Айболит
1 Вт
Сообщения: 225
Зарегистрирован: 25 янв 2014, 23:35
Имя: Вячеслав
CB: Optim Apollo
Позывной: Айболит
Авто: Санта Фе Классик
Благодарил (а): 8 раз
Поблагодарили: 14 раз
Контактная информация:

Установка рации на Рено-Дастер (до рейстайлинг)

Сообщение Айболит » 10 ноя 2018, 23:35

Удлинитель провели под обшивкой крыши, вывели за приборной панелью и вытащив панельку прикуривателя смонтировали за ней переходную розетку. Просверлили небольшое отверстие и вывели тангенту наружу, в районе рычага переключения скоростей.
IMG_20181105_141453.jpg
Пока не придумал куда на торпедо крепить саму тангенты, но это дело времени. Главное, что рация работает и я снова в канале.

З.Ы.: огромная благодарность всем кто мне помогал советами ,своими прямыми руками и профессинальными подсказками. Особая благодарность парням из Радиомаркета на Бердском шоссе 270/1 (viewtopic.php?f=55&t=9852) быстро и оперативно нашли проблему с неработающей связью и помогли ее решить.

Ответить

Кто сейчас на конференции

Сейчас этот форум просматривают: нет зарегистрированных пользователей и 1 гость