Icom IC-F110S, IC-F111S, IC-F121S
Правила форума
Провокация конфликта - предупреждение.
Ответ на провокацию - предупреждение.
Не одумались - обоим БАН на месяц.
Новая провокация - прощаемся. Невзирая.
Провокация конфликта - предупреждение.
Ответ на провокацию - предупреждение.
Не одумались - обоим БАН на месяц.
Новая провокация - прощаемся. Невзирая.
-
Citizen Band
Icom IC-F110S, IC-F111S, IC-F121S
Icom IC-F110S, IC-F111S, IC-F121S
- Вложения
-
- icom_ic-f110_manual_rus.pdf
- Инструкция на русском
- (1.13 МБ) 1066 скачиваний
-
- icom-ic-f110s-111s-121s-sm.pdf
- Сервис - мануал
- (4.78 МБ) 1185 скачиваний
-
- F110S.rar
- Программа для прошивки
- (1.27 МБ) 995 скачиваний
-
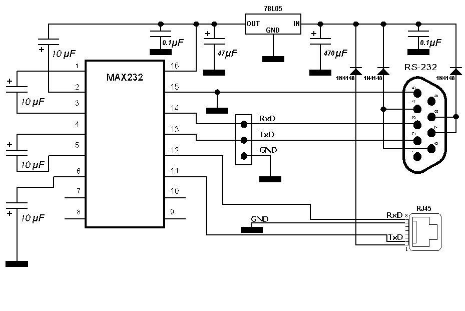
- Схема кабеля
- Data_Icom.GIF (9.16 КБ) 12374 просмотра
-
Citizen Band
Re: Icom IC-F110S, IC-F111S, IC-F121S
Оригинальная инструкция для IC-F110S
- Вложения
-
- IC-F110S.pdf
- (1 МБ) 1051 скачивание
-
Citizen Band
- Max703
- Администратор
- Сообщения: 5286
- Зарегистрирован: 18 ноя 2010, 15:43
- Награды: 4
- Имя: Максим
- Позывной: Семьсот третий
- р/л позывной: R9OV
- Откуда: Новосибирск NO15LB
- :
- Благодарил (а): 43 раза
- Поблагодарили: 34 раза
- Контактная информация:
Re: Icom IC-F110S, IC-F111S, IC-F121S
С питанием от Ком порта разобрался?
Канал на youtybe https://www.youtube.com/user/maxgavrilenko30 (приборный поиск)
https://www.youtube.com/channel/UCVoLCi ... subscriber
Http://log.r9o.ru/ Онлайн лог
http://r9ov.ru
http://vsensk.ru
https://www.youtube.com/channel/UCVoLCi ... subscriber
Http://log.r9o.ru/ Онлайн лог
http://r9ov.ru
http://vsensk.ru
-
Citizen Band
Re: Icom IC-F110S, IC-F111S, IC-F121S
Конечно. Последняя схема работает на ура.Max703 писал(а):С питанием от Ком порта разобрался?
Кто сейчас на конференции
Сейчас этот форум просматривают: нет зарегистрированных пользователей и 8 гостей
.jpg)
.jpg)
